Pécs, Tildy Zoltán utca 35.
LÉPJ 4 társasházi/szövetkezeti lakás
Ár
10 000 FtAlapterület
52 m2Szobák
1.5LÉPJ 4 társasházi/szövetkezeti lakás
- Vármegye:Baranya
- Ingatlan állapota:felújított
- Építés éve:nincs megadva
- Komfort:összkomfort
- Épület szintjei:10
- Telek mérete:nincs megadva
- Fűtés:távhő
- Tetőtér:nincs megadva
- Pince:nincs megadva
- Erkély:van
- Lift:van
- Emelet:10
- Parkolás:nincs megadva
- Bútorozott:nem
- Költözhető:azonnal
Leírás
Pályázható ingatlan jellemzői:
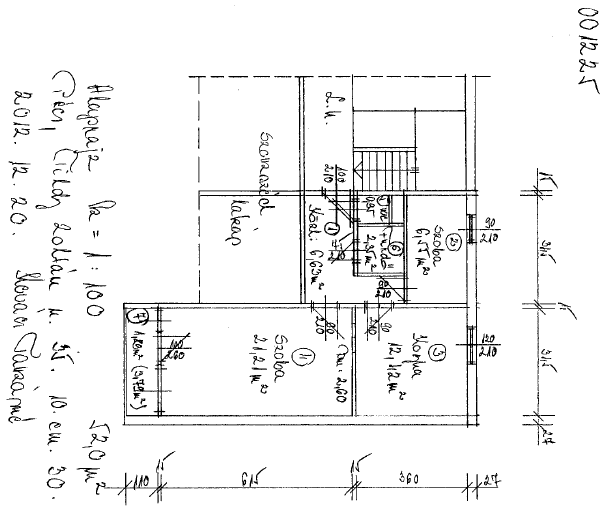
7636 Pécs, Tildy Zoltán utcában 10 emeletes társasház, 10. emeletén 52 nm-es, jó műszaki állapotú, 1 + 1 félszobás, távhő, BÚTOROZATLAN LAKÁS pályázható.
Helyiségek: előtér, konyha, közlekedő, fürdőszoba WC, 1 + 1 félszoba, erkély
/Lakás felszereltsége: az ingatlan konyhabútorral, gáztűzhellyel felszerelt, a bérlemény további háztartási kis-, és nagygépekkel nem rendelkezik./
BÉRLETI DÍJ:
- évben: 10.000 Ft/hó
- évben: 35.000 Ft/hó
- évben: 75.000 Ft/hó
- évben: 107.000 Ft/hó
- évben: 107.000 Ft/hó
Közös költség: 10,277 Ft.
Kauciófizetési kötelezettség nincs.
Beköltözők maximális létszáma: 3 fő
A bérleti szerződés időtartama: 5 év határozott idő. 5 év után a feltételek felülvizsgálatra kerülnek. A 3. év lejárta után a lakás megvásárlására a bérlővé vált nyertes pályázónak lehetősége nyílik. További részleteket a pályázati kiírás és mellékletei tartalmaznak.
A lakás megtekintése: a lakás személyes (maximum további 1 fővel) megtekintéséhez időpontfoglalás szükséges a megadott időpont előtt minimum 2 nappal.
A foglalásra a feltüntetett ingatlan és időpont kiválasztásával, név, e-mailcím és telefonszám megadásával lehet jelentkezni
A megtekintés napja: 2025.11.05.
Időpontfoglalás: Jelentkezés ingatlan megtekintésre - LÉPJ! - GyVOP - 4. kör
Kérjük oldalunkon olvassa el a pályázati feltételeket és tudnivalókat a pályázati kiírásban és mellékleteiben.
Az ingatlanra vonatkozó pályázatát az alábbi gombra kattintva tudja benyújtani:
Hivatkozási szám: 001225
Fontos
Kapcsolat
Impresszum
MR Közösségi Lakásalap Közhasznú Nonprofit Korlátolt Felelősségű Társaság
1033 Budapest, Harrer Pál utca 3.
Adószám: 29254143-2-41
E-mail: ugyfelszolgalat@mrkl.hu

